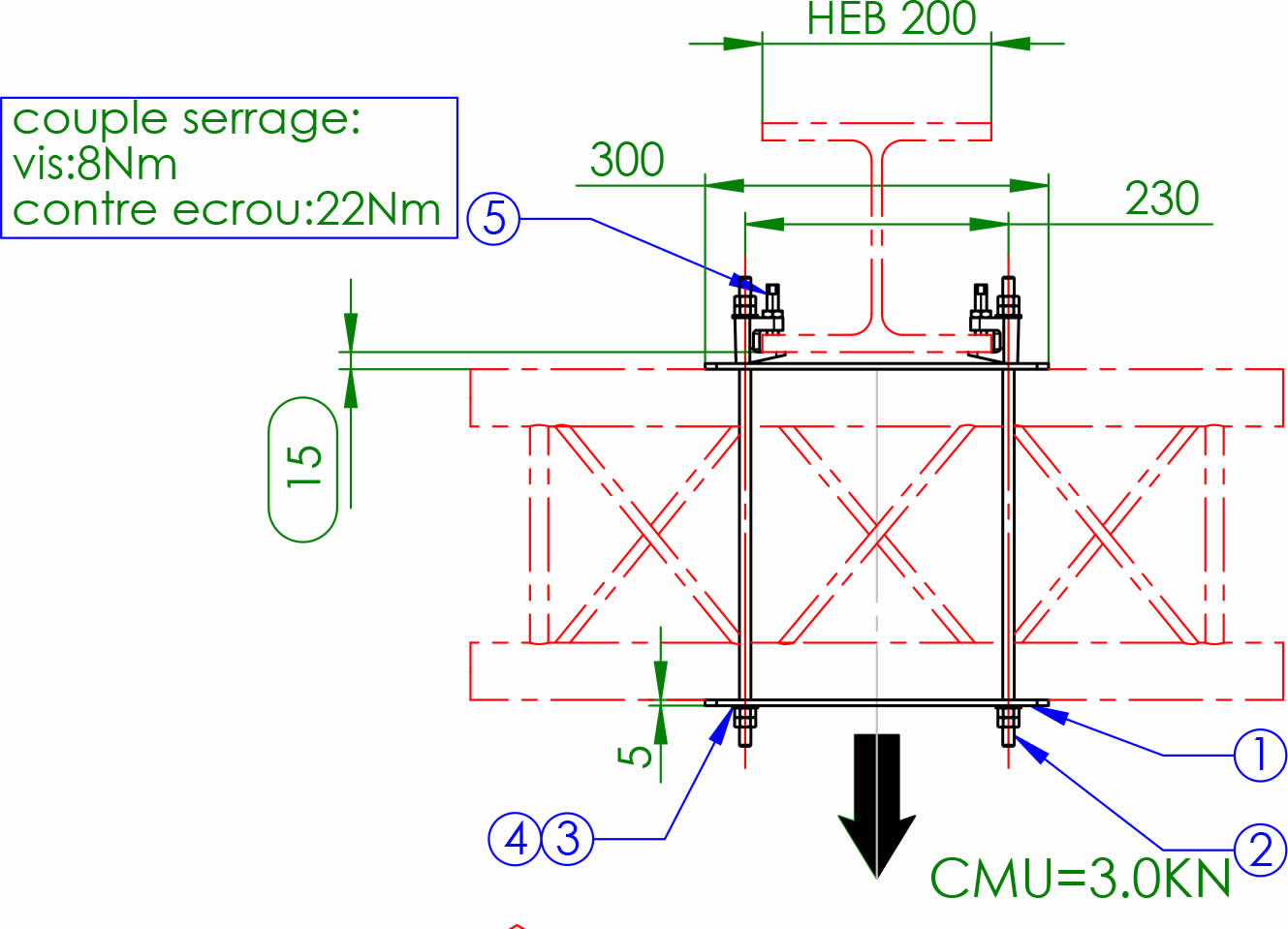
Ensemble d'accroche double pour série 300 carré sur poutre IPN type HEB240, CMU 300kg
Ensemble d'accroche double pour série 300 carré sur poutre IPN type HEB160, CMU 300kg
Ensemble d'accroche 1côté pour série 300 carré sur poutre IPN type HEB, CMU 150 kg
Pièce de suspension pour série 300 carrée, acier noir, charge maxi 500kg
Ensemble d'accroche double pour série 300 carré sur poutre IPN type HEB180, CMU 300kg
Monotube 0,29m, Ø50mm, noir
Adaptation pour pieds de levage
"S" de pont pour série 400 alu, 2 passages de câbles
Pied acier, hauteur 1,29m à 2,50m, charge maxi 70kg. Livré avec tourelle
Support moteur 250 kg pour série 400 carré (moteur type SR1 dans la poutre). Utilisation au-dessus de la poutre uniquement.
Nos équipes sont prêtes à répondre à vos besoins et à concrétiser vos projets. Contactez votre agence locale ou laissez-nous un message, nous serons ravis de vous accompagner.